воскресенье, 11 мая 2025 г.

Linux-советы на каждый день! (часть 8)

Совет №1: Смена раскладки в Ubuntu 24.04 в tty

После выхода версий Убунты 24.04 оказалось, что присутствует проблема с переключением языка в консоли (не эмуляторе терминала, а в той, что вызывается CTRL+ALT+F1...6). Сразу или после установки обновлений начинает происходить дичь: в консоли присутствуют квадратики или после нескольких переключений клавиатура начинает вести себя неадекватно - срабатывают левые нажатия, вводятся какие-то команды, буквы не печатаются и тд и тп. Помогает только повторный вход или перезагрузка. Этот баг присутствует и в Минт 22 и других дистрибутивах на базе этой версии. При этом уже в 24.10 этот баг не проявляется. Как ни странно, но если сменить переключение на 1 клавишу, например lwin (левая клавиша WIN), то глюки пропадают. Правда на некоторых ПК всё равно остаётся проблема в 1 консоли c квадратиками вместо букв, но в 2-6 всё работает корректно. Возможно это будет исправлено в каком-то из обновлений этой LTS ветки.

Совет №2: Ошибка при обновлении Manjaro Linux

Внезапно появилась ошибка при обновлении: community.db failed to download ошибка: не удалось получить файл 'community.db'

Недолгий поиск привёл к информации, что репозиторий community объединён с extra (с удалением первого).

Самый простой способ убрать ошибку - это закомментировать в файле /etc/pacman.conf 2 строчки:

#[community]

#Include = /etc/pacman.d/mirrorlist

Совет №3: Скрыть пункт меню в XFCE

Удалил почтовик за ненадобностью, а менюшка вызова осталась. Если на 1 ПК я редактировал файл /etc/xdg/menus/xfce-applications.menu, удаляя все упоминания почтовика (вредный и неправильный метод), то на 2 ПК я решил почитать как это нужно сделать по науке: на вики проекта есть прекрасное описание этой операции - https://wiki.xfce.org/ru/howto/customize-menu

Сделал по вики так: ~/.local/share/applications - создаём каталог в домашней папке, если его нет. Копируем в этот каталог файл /usr/share/applications/xfce4-mail-reader.desktop Открываем его и вставляем строчку NoDisplay=true (ниже строчки [Desktop Entry]). Изменения вступают сразу при первом же открытии меню.

Дополнение: в разных версиях XFCE наименование файла может отличаться! Например в версии 4.12 это exo-mail-reader.desktop

Совет №4: Поменять дату последнего изменения каталога в линукс

Хотелось сохранить аутентичность одного проекта, хотя нужно было кое-что удалить из него, но после удаления файла, каталог сменил время последнего изменения на текущее. Исправить данную ситуацию можно с помощью команды (каталог test):

touch -t 0710031305 test

Время в данном случае задаётся в формате ГГММДДЧЧММ и задавалось 13:05 3 октября 2007 года!

Взято из комментариев с сайта opennet.ru

Совет №5: Недоступен профиль энергосбережения в KDE 6

После очередного обновления Opensuse Tumbleweed в настройках питания в трее появилась строчка, что профиль энергосбережения недоступен. Дескать установите пакет power-profiles-daemon, но он уже установлен, а сервис запущен! Переустановка пакета не решила эту проблему. Решение проблемы нашёл на форуме Archlinux. Необходимо установить пакет tuned-ppd и перезагрузиться. После чего ошибка пропадает и можно менять режимы энергосбережения на моём стареньком ноутбуке.

Совет №6: Кракозябры и SMB

Подключаясь к домашней файлопомойке по протоколу SMB обнаружил, что имена некоторых файлов представляют произвольный набор символов (латиница и цифры). Долго не мог понять в чём дело. В начале думал, что проблема кроется в наличии букв не из латиницы или русского языка. Также предполагал, что проблема в кодировке. Самое интересное, что через FTP всё показывалось корректно как и на самом сервере.

Оказалось, что проблема действительно в имени файлов - наличие пробела в конце имени файла перед точкой, которая отделяет расширение файла. Стоит убрать этот пробел и имя файла становится читаемым.

Сам файловый менеджер Thunar не даёт сохранить файл с таким именем, но такие файлы скачиваются с интернета. Проблема с отображением точно проявляется в файловом менеджере Caja.

Рис - измерение температуры радиатора ЦП при неисправном кулере в ноутбуке

Возвращаясь к настройке XTerm и UXTerm

Я уже писал небольшую заметку по настройке терминалов из базовой комплектации X. Прошло много времени, было установлено десятки ГБ обновлений. Вылезли некоторые нюансы, которые заставили пересмотреть настройки, которые я приводил в прошлой статье.

В Дебиан 10 после загрузки слетали настройки цветовой схемы. Терминал был белый, а буквы чёрные. При этом строка приглашения оставалась зелёной. В Манжаро 25 версии было ещё интереснее: если войти в менеджер окон icewm, то настройки оставались корректными, а если войти в Мате, то цветовая схема портилась - текст становился серым, а в том же mc названия каталогов и файлов становились чёрными, что на тёмно-синем фоне делало их плохо читаемыми.

После некоторых раздумий и экспериментов файл настроек ~/.Xresources принял такой вид:

XTerm.vt100.locale: true

XTerm.vt100.faceName: Liberation Mono:size=12:style=Bold:antialias=false

XTerm.vt100.background: black

XTerm.vt100.foreground: white

XTerm.termName: xterm-256color

UXTerm.vt100.locale: true

UXTerm.vt100.faceName: Liberation Mono:size=12:style=Bold:antialias=false

UXTerm.vt100.background: black

UXTerm.vt100.foreground: white

UXTerm.termName: xterm-256color

Данная конфигурация отличается тем, что задаёт параметры цветовой схемы жёстко. Также включён принудительно 256 цветный режим. После этих настроек в обоих ОС и при разных окружениях терминалы выглядят одинаково. Хотя ранее например в Дебиане строка приглашения могла становится белой, а шрифт тонким. Указав же все настройки жёстко - получаем гарантированный результат! Если кто-то захочет себе мигающий курсор, то может добавить в файл эти строчки:

XTerm.vt100.cursorBlink: true

UXTerm.vt100.cursorBlink: true

Для применения параметров без перезагрузки и повторного входа в систему можно воспользоваться командой: xrdb ~/.Xresources и перезапустить открытый терминал.
Рис - терминал xterm

Судя по тому, что Х скоро будет заменён на wayland, то эти 2 терминала отправятся в прошлое. Я пробовал их использовать, но мне не хватило функционала (удобство настройки, вкладки). Более того, на новой установке Манжаро, эти 2 терминала и вовсе не являются обязательными зависимостями, хотя используется Х-сервер.


суббота, 22 марта 2025 г.

Экстремальное обновление Opensuse с 42.3 до 15.6 версии

Обратился ко мне старый знакомый с просьбой обновить операционную систему на ноутбуке. Причина - сайты требуют новую версию браузера. Последний раз какие-либо обновления устанавливались в далёком 2018 году. Систему ставил и настраивал я сам. Дистрибутив - Opensuse 42.3 KDE. Последние 5 лет никакого обслуживания! 

В таких случаях самым разумным было бы установка с нуля или по-крайней мере обновление в лайв-режиме. Я решил провести эксперимент - можно ли обновить такую систему до актуальной версии без переустановки?

Для начала подключим сетевой кабель, чтобы обновление шло по проводу, а не по воздуху. Также для начала надо удалить все просроченные ключи и старые репы и добавить новые. Иначе возможны ошибки вида: warning: /var/cache/zypp/packages/http-download.opensuse.org-ca334c76/x86_64/libnfsidmap0-0.26-150600.28.6.2.x86_64.rpm: Header V3 RSA/SHA256 Signature, key ID 39db7c82: NOKEY Они не влияют на процесс, но зачем, если можно их избежать? Я также удалил группы пакетов KDE (мета-пакеты patterns). Так как это может стать препятствием при обновлении. 
Рис.1 - актуальные репозитории для версии 15.6

Список и описание репозиториев текстом для удобства копирования. Обратите внимание, что на Рис.1 их больше. Этот же список по-умолчанию (дебаг и исходники убраны аналогично)! Источник, где взял список найти не смог,  решил разместить оригинальный список в своём мини-блоге.

OSS
The main repository: open source software only.

Version: Leap 15.6 http://download.opensuse.org/distribution/leap/15.6/repo/oss/

Non-OSS
Non-free (as in freedom) software, such as Opera and Steam.

Version: Leap 15.6 http://download.opensuse.org/distribution/leap/15.6/repo/non-oss/

Update
Repository of official security and bugfix updates for OSS packages.

Version: Leap 15.6 http://download.opensuse.org/update/leap/15.6/oss/

Update Non-OSS
Repository of official security and bugfix updates for non-OSS packages.

Version: Leap 15.6 http://download.opensuse.org/update/leap/15.6/non-oss/

Backports Update
Update repository of openSUSE Backports.

Version: Leap 15.6 http://download.opensuse.org/update/leap/15.6/backports/

SLE Update
Update repository with updates from SUSE Linux Enterprise 15.

Version: Leap 15.6 http://download.opensuse.org/update/leap/15.6/sle/

Для первичного обновления репозитарий repo-openh264 нужно отключить. Потом выполняем в консоли zypper up от root - это позволит обновить пакеты до версии выше, но без установки новых, смены поставщика. Будет примерно на пару сотен МБайт. Далее через Yast производим обновление всех установленных пакетов (это можно сделать и в консоли, но легче выставить мышкой все галочки, чем выбирать цифрами нужный вариант в консоли). При этом конечно же вылезут конфликты. Первый раз 257 штук, и второй раз - около 100. Решаются вручную. Описывать подробно этот пункт не буду, так как действовал по наитию и пониманию. Однако, логика такая - НИКОГДА не выбирать пункт ПОВРЕДИТЬ ЗАВИСИМОСТИ!!! Выбираем: удалить пакет, если блокирует установку новых пакетов или отказываемся от установки новых, если для них требуется удалить сотни старых пакетов. Первый раз эта процедура затронет примерно на 1.6 Гб. На втором проходе - на 4.6 Гб. Да, на это потребуется время. Всё обновление занимает не один час на HDD. Также на 2 или 3 проходе было удалено примерно на 1 Гб пакетов. Среди них будет много важных системных компонентов, а также пакетов среды KDE.

Если всё прошло гладко, то система больше не будет требовать обновлений. В процессе обновления интерфейс системы может зависать, отваливаться, но главное - это чтобы окно терминала konsole оставалось открытым как и сам Yast. В моём случае после обновления всей системы было удалено единственное ядро 4.4, а новое и актуальное 6.4 установлено не было! По-хорошему, до первой перезагрузки его нужно установить командой из под root: zypper in kernel-default

Однако, если вы всё же "проморгали" этот момент, то после первой же перезагрузки система откажется загружаться. Потребуется какой-нибудь live. Я взял Mint 21. Грузимся и монтируем нашу установленную систему в какую-нибудь папку. Можно из под пользователя. Не забываем также смонтировать /dev /sys /proc командами из под root:

mount --bind /dev /media/mint/SYSTEM/dev
mount --bind /proc /media/mint/SYSTEM/proc
mount --bind /sys /media/mint/SYSTEM/sys

Далее chroot-имся в нашу систему командой из под root: chroot /media/mint/SYSTEM Здесь стоит отметить, что каталог SYSTEM - это каталог, в который Mint смонтировал корень установленной системы. В данном случае это LABEL раздела /dev/sda1, но в вашем случае это может быть UUID или другое имя.

Устанавливаем ядро: zypper in kernel-default

Обновляем загрузчик: grub2-mkconfig -o /boot/grub2/grub.cfg

Выходим из chroot командой exit

Далее отмонтируем /dev /sys /proc командами из под root:

umount /media/mint/SYSTEM/dev
umount /media/mint/SYSTEM/proc
umount /media/mint/SYSTEM/sys

Отмонтируем корень через файловый менеджер и перезгружаемся. У меня после система загрузилась без каких-либо проблем и ошибок. Подробнее о chroot и восстановлении grub можно почитать ТУТ.

На экране входа меня ждал сюрприз - нельзя было войти в KDE. Причина довольно простая - был удалён почти гиг пакетов, в том числе туда попала оболочка и ядро. Opensuse поставляется с установленным по-умолчанию менеджером окон icewm, настройку которого я уже описывал в своём блоге. Через него прекрасно можно зайти в Yast и выполнить установку необходимых нам пакетов KDE или даже выбрать группу. Также в моём случае система решила удалить звуковой сервер pulse Необходимо выполнить его установку повторно. Возможно ещё какие-то пакеты были удалены. Никаких проблем "вернуть всё в зад" нет. Более того настройки пользователей как и сами учётные записи остаются неизменными. Вот за это я и  люблю линукс! :-)
 
Мультимедиа или как сделать, чтобы всё играло хорошо и красиво! Включаем или добавляем репозитарий repo-openh264 и устанавливаем пакет zypper in gstreamer-1.20-plugin-openh264 Репы packman и libdvdcss остались от прошлой установки. Так что нужно лишь повторно установить пакеты командой (если вдруг они удалились в процессе обновления): zypper install --allow-vendor-change ffmpeg-4 lame gstreamer-plugins-bad gstreamer-plugins-ugly gstreamer-plugins-ugly-orig-addon gstreamer-plugins-libav libavdevice57 libdvdcss2 vlc-codecs Также мне попалось полезное видео, с подробным описанием как выполнить установку пакетов именно из репозитория packman:
На 4:25 как раз показан этот шаг. К сожалению, ссылки в описании к видео уже не актуальны.

Проблемы и их решения: на экране входа и выбора пользователя клавиатура по-умолчанию на-русском. Чтобы исправить это - надо  в Yast выставить английскую системную клавиатуру, а потом настроить раскладку в KDE (когда будете выбирать, то выбирайте просто РУССКАЯ и США). Из явных глюков - кнопка включения ноутбука больше не функционирует. Попытка повторно настроить действие в настройках среды ни к чему не привела. Данная проблема владельцем ноутбука была признана не существенной. Также было обнаружено, что отсутствует программа для снятия скриншотов. Какая была установлена изначально - не известно, но прекрасно встала и выполняет свои функции - Spectacle.

После завершения обновления системы и установки новых пакетов, стоит удалить осиротевшие пакеты. Посмотреть "сироток" можно командой: zypper packages --orphaned Я предпочёл удалять их вручную по 1 пакету, чтобы не удалить чего лишнего. Эту операцию также желательно было выполнить и в начале перед обновлением, но там "сиротки" при удалении тянули за собой пол системы. Так что я пропустил этот важный шаг.
Рис.2 - Opensuse 15.6

Выводы и мнение: стоило ли обновлять такую устаревшую систему или проще поставить с нуля? Я лично считаю, что установка с нуля была бы намного быстрее и не потребовала напильника, что вообщем-то и не является открытием. С другой стороны Opensuse демонстрирует удивительную живучесть. Свою версию 12.3 (тоже ужасно устаревшую на тот момент) я переключал на ветку tumbleweed лет 7 тому назад и обновление тоже прошло без каких-либо проблем. Деградации производительности замечено не было. Владелец ноутбука даже отметил, что всё стало работать намного быстрее. Я использую данный дистрибутив с 2007 года. Это один из немногих дистрибутивов, который не требует знания консоли (имеется ввиду обычное использование) благодаря Yast. Особых проблем с ним нет, кроме установки кодеков, но они решаются 1 раз при установке и всё. Отдельно хочется ещё раз отметить, что если бы не проблемы с сайтами, то система полностью удовлетворяла потребности и не требовала к себе никакого внимания.

воскресенье, 9 марта 2025 г.

Как включить AV режим на ТВ Funai без пульта

"Видишь кнопочку? - Нет... А она есть!"

Иду я как-то мимо мусорки и вижу, что стоит табуретка, а ней небольшой ТВ Funai, а рядом мужик в мусорке копается. Я у него спросил - нужен ли ему ТВ, а он ответил, что нет. Забрал - мне нужен))) На запчасти. Я не первый раз нахожу рабочие и полезные устройства, то пылесос, то потолочные светильники. Неисправную технику и платы можно и не считать. Всё нашло своё применение, либо стало донором радиодеталей.

Табурет был даже в заводской упаковке, но интереса он не представляет, и был прописан в сарайку на ПМЖ. А вот ТВ был внимательно изучен и воткнут в сеть. Каково же было моё удивление, когда выяснилось, что ТВ рабочий! Далее полная разборка, чистка от пыли. Причём ТВ был на пломбах! 

Рис.1 - модель ТВ

Проверка показала, что кинескоп оказался знатно подсевшим - я немного подкрутил ускоряющее. Стало немного лучше, во всяком случае смотреть можно. А вот попытка получить картинку от ТВ с антенного входа провалилась. Неисправен тюнер - проблема с конденсаторами в параллель контуров (как выяснилось, что это типовая неисправность). ТВ не смог принять ни 1 аналоговый канал, ни с приставки по ВЧ. Восстанавливать радиотракт смысла особо нет, тогда я решил подать сигнал на AV вход через тюльпаны (скарта в этой модели нет - это важно!). А вот переключить не смог. Ни волшебного канала AV, ни кнопочки на морде, пульта тоже не завезли.

Рис.2 - жутко грязная панель управления и отсутствие кнопки AV

У меня есть аналогичный Фунай с пультом, даже с двумя, но на даче. Ковыряться с виртуальным пультом на Андроиде было лень. Хотелось как-то аппаратно заставить ТВ перейти в режим AV. Гуглинг показал, что переключение возможно, если на один из контактов СКАРТ подать +12 В, но у меня без этого разъёма. Я уже начал готовиться к изучению сервис мануала на процессор, чтобы бы подать управляющий сигнал напрямик, однако, беглое изучение СХЕМЫ дало надежду, что всё ограничится подборкой резистора, который подаст нужный уровень на общую шину процессора, которая отвечает за кнопки. Новую кнопку же врезать в корпус...

Рис.3 - схема делителей на резисторах и кнопок. AV кнопка на схеме есть!

Рис.4 - место под кнопку есть!

Внимательно смотрю на плату и понимаю, что место под кнопку есть, а все резисторы уровня присутствуют на плате. Осталось только запаять недостающую кнопку и всё. Ах, ну да - ещё просверлить дырку в корпусе. Решил заменить и все остальные 5 штук кнопок - так как они западали, и ТВ начинал жить своей жизнью. Благо стоят они копейки - меньше 6 рублей в местном радиомагазине.
Рис.5 - новые кнопочки :-)

Ну и всё собственно - теперь ТВ может переключаться в AV режим. А значит и может даже когда-нибудь пригодиться (наверное, но это не точно).

Интересные момент: этот ТВ при выключении не забывает, что он включён в режим AV, если попытаться нажать кнопки переключения каналов, то в режим приёмника ТВ не переходит, что наводит на мысль, что если у вас пульта нет, то можно ли одолжить пульт на время у кого-нибудь, чтобы однократно переключить, либо вообще разобрать ТВ, включить и замкнуть аккуратно пинцетом залуженные пяточки на плате под отсутствующую кнопку. Возможно я так и сделал бы, если не пришлось менять остальные кнопки.

Таким образом небольшая модернизация и доработка ТВ позволила дать ему шанс на использование. Возможно данная статья покажется забавной, но я просто хотел поделиться, что порой производители техники буквально экономят на одном отверстии в корпусе и самой кнопке.

суббота, 8 марта 2025 г.

Прогар платы в старом ЭЛТ ТВ Samsung

В своё время мне отдали на запчасти очередной ТВ CS-15K9MQ. Вскрытие показало - прогар платы. После чего ТВ был закинут на полку. Прошло много лет. Решил посмотреть, что именно случилось с ТВ. Данная статья является обобщением своего опыта ремонта данного ТВ (я ни разу не являюсь телемастером!).

Рис.1 - информация о модели с шильдика

После чистки ТВ от пыли, взору предстал его величество прогар:

Рис.2 - со стороны деталей

Рис.3 - со стороны дорожек

Самое главное - это тщательно убрать весь уголь, так как он может проводить электричество. Судя по-всему горело тут знатно...
Рис.4 - расчищенное место со стороны дорожек

Рис.5 - расчищенное место со стороны деталей

Не буду затягивать статью. Скажу, что исчерпывающую информацию можно получить по этой ссылке на тему с форума monitor.espec.ws Там же в теме можно найти схемы на данный ТВ, а также фото целой платы:
Рис.6 - целая плата (фото с сайта monitor.espec.ws)

Виновником случившегося является конденсатор CR404S 470 пФ 2 кВ (можно заменить на 510 пФ). После его пробоя выгорели следующие элементы:
  • CR405S 4700 пФ 400 В.
  • R414 15 к 0.5 Вт.
  • DZ402 стабилитрон 5.6 В - 1N4734A (КС156А тоже работает и даже не греется).
  • L404 - индуктивность на 1 мкГ (работает и без неё).
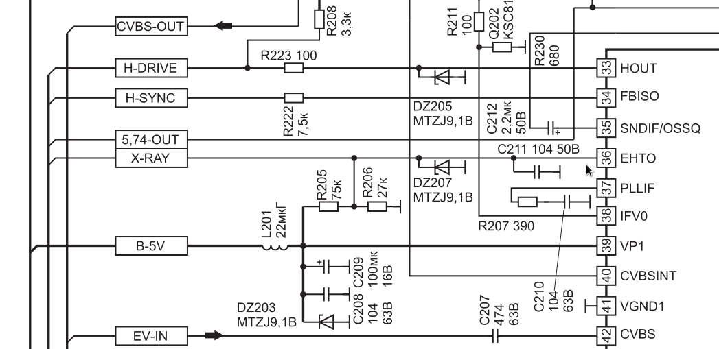
Для улучшения понимания прикладываю фрагмент схемы ТВ:
Рис.7 - фрагмент схемы, где произошёл прогар на плате
У меня возникло некоторые сложности с пониманием схемы, так как на разных страницах были разные наименования. Так вот H-OUT=H-DRIVE, а H-SYNC=S-CASTLE. 
Рис.8 - назначение выводов процессора

Мне повезло, что данная модель ТВ не имела разьёма СКАРТ, а только тюльпаны - большая часть мелких дорожек оказалась не задействована. Итог восстановления выглядит так:
Рис.9 - новые детали
Рис.10 - великий МГТФ )))

В БП были заменены один из конденсаторов по линии +125 В, а также стабилитрон на 33 В (предыдущий мастер его просто выпаял) на плате имеет обозначение DZ803 - 1N4752A. Также был заменён плохой электролит в кадровой. Хотя проблем с этим узлом не было, но один из электролитов имел ESR 15 ом при ёмкости 100 мкФ (осталось 67 мкФ по-факту). Также были сбита настройка магнитов на кинескопе - настраивается по максимально чёткой и неискажённой картинке. После всех манипуляций выяснилось, что на пульте работает только 1 кнопка - включения. Причина - пульт был очень грязный. Починилось полной разборкой и промывкой платы и токопроводящих пятачков. Мыл обычным тех спиртом.

Тестирование данного телевизора показало, что он не ловит ДМВ, но аналог в моём городе представлен 1 лишь каналом. Приём которого крайне неудовлетворительный. Телевизор, если и будет использоваться, то только с цифровой приставкой. Качество картинки у ТВ оказалось на вполне высоком уровне! 

Целесообразность ремонта? Не знаю - цена горсти новых деталей не превысила бы и сотни рублей. Можно было и 0 рублей протратить, если не устанавливать стабилитрон на 33 В. Остальные запчасти были взяты с других плат. Скорее данный ремонт - проба своих сил.

понедельник, 9 декабря 2024 г.

Какая файловая система быстрее на флешке

Этот тест я решил провести, когда выяснилось, что у некоторых флешек из прошлой статьи о тестировании разных накопителей есть странная зависимость от типа ФС. Для проведения эксперимента была взята USB флешка Hikvision M210P на 128ГБ. ОС: Manjaro Mate с ядром 6.11 Форматирование производилось с помощью gparted. Во всех случая создавался 1 раздел. Форматирование быстрое. Все настройки по-умолчанию, тюнинг ФС отсутствовал. Тестирование производилось с помощью утилиты KDiskMark. USB только 3.0

Были протестированы все ФС, которые были доступны в gparted, кроме ext2 и ext3 - они не поддерживали быстрое форматирование. Для создания ФС с быстрым форматирование требовались буквально секунды, а при полном - не менее 42 минут. Альтернативным решением было бы создание небольшого раздела на 1 ГБ. Также не проводился тест fat - раздел не может превышать 4 ГБ, но и данная ФС является очень устаревшей и практического смысла её использовать сегодня нет. Данный тест не даёт ответов на вопрос: какая именно ФС лучше всего подходит для внешних твердотельных накопителей. Хотя я лично выбрал бы fat32 как наиболее совместимую между всеми устройствами и ОС, но та же exfat используется по-умолчанию при создании загрузочной флешки Ventoy и в ОС Windows с версии 7. Стоит отметить, что данные эти 2 ФС не журналируемые, что повышает риск потери данных, но бережнее относится к ресурсу флешки.

Ниже представлены результаты тестирования скорости чтения и записи. Также решил показать зарезервированное место на свободной флешке сразу после создания ФС. Если же резервирование отсутствовало или составляла мегабайты, то скриншотов не делал.

Рис.1 - ФС fat32
Рис.2 - ФС ext4
Рис.3 - занимаемое место на пустой флешке с ФС ext4
Рис.4 - ФС BTRFS
Рис.5 - занимаемое место на пустой флешке с ФС BTRFS
Рис.6 - ФС f2fs
Рис.7 - занимаемое место на пустой флешке с ФС f2fs
Рис.8 - ФС jfs
Рис.9 - ФС nilfs
Рис.10 - занимаемое место на пустой флешке с ФС nilfs
Рис.11 - ФС reiserfs
Рис.12 - ФС xfs
Рис.13 - занимаемое место на пустой флешке с ФС xfs
Рис.14 - ФС NTFS 
Рис.15 - ФС exfat

Список ФС, результаты тестирования скорости которых представлены выше:

Тестирование на реальной задаче - копирование папки объёмом 10 ГБ и содержащей в себе 1550 объектов на флешку. Тестирование производилось штатным файловым менеджером Mate - Caja 1.28 Условием завершением копирования было не только сообщение о завершении задачи, но и отсутствие активности флешки, а также возможность её безопасного извлечения (у данной модели флешки нет светодиода). В качестве секундомера использовался телефон и его родная утилита. Результаты:

Hikvison 128 GB (exfat): ФМ показал начальную скорость 361 мб/с с дальнейшим падением до 11 мб/с копирование шло 15:05, через 18:18 устройство можно было извлечь. Копирование этой же папки на ssd ПК шло со скоростью 135 мб/с и заняло 1:14.

Hikvison 128 GB (fat32): 4.5 мб/с - 17.5 мб/с (чаще всего 20 мб/с, максимум до 21 мб/с) копирование шло 9:32, через 9:47 устройство можно было извлечь.

Итоги: реальные и синтетические тесты могут прилично различаться. ФС влияет на производительность и скорость записи довольно существенно: некоторые из них журналируемые и пишут больше информации на флешку, а некоторые ФС в принципе работают в линукс хуже (зависит от реализации драйвера).

пятница, 6 декабря 2024 г.

Сравнение и тестирование USB флешек

К хранению информации я подхожу достаточно скрупулёзно: данные многократно дублируются - разные устройства, различные переносные диски, что-то лежит в облаках. Но вот на флешках информацию я особо не хранил. Ещё во времена, когда 256 МБ - это хорошая флешка, мне показалось, что уж больно медлителен на запись этот тип носителей. Шли годы, у меня появилась целая гора флешек небольшого объёма и парочка относительно больших 64 ГБ. Мой друг любит хранить данные разных флешках. Я решил попробовать и этот метод. Например выделить отдельно флешки для хранения только домашних фото и видео, или собрать все образы ОС, которые может загрузить замечательная утилита Ventoy. И так - бюджет был определён, открыт один из популярных в россии сетевых магазинов, были заказаны следующие флешки:
  • Digma DRIVE3 128ГБ
  • Hikvision M210P 128ГБ
  • Kingston DataTraveler SE9 512ГБ
  • NETAC U185 128ГБ
  • NETAC U185 256ГБ
Все флешки USB 3.0 и имеют 5 летнюю гарантию. Флешку Дигма взял 2 штуки. Почему именно такой выбор? За исключением Кингстона, ему отводилась роль - хранить семейный фотоархив, остальные брались по принципу - наличие, лучшие характеристики и новые бренды на пробу.
Рис.1 - новые флешки в упаковках

Также я решил добавить в тест и старые флешки относительно большого объёма, которые у меня были. Тестирование производилось на ноутбуке Acer Aspire 5542G под управлением Windows 7 SP1 и стационарным ПК (мать Asus Z97-pro gamer), на котором была уставлен Manjaro Mate (ядро 6.11). На ноутбуке тест проводился только на USB 2.0, а на ПК 2.0 и 3.0 Также проводился реальный тест на копирование - использовалась папка с мелкими файлами в количестве 1550 штук и объёмом 10 ГБ.
Рис.2 - Netac 128 ГБ в USB 2.0 на ноутбуке
Рис.3 - Netac 128 ГБ в USB 2.0 на ПК 
Рис.4 - Netac 128 ГБ в USB 3.0 на ПК
Рис.5 - Netac 256 ГБ в USB 2.0 на ноутбуке
Рис.6 - Netac 256 ГБ в USB 2.0 на ПК
Рис.7 - Netac 256 ГБ в USB 3.0 на ПК
Рис.8 - Hikvision 128 ГБ в USB 2.0 на ноутбуке
Рис.9 - Hikvision 128 ГБ в USB 2.0 на ПК
Рис.10 - Hikvision 128 ГБ в USB 3.0 на ПК
Рис.11 - Digma 128 ГБ в USB 2.0 на ноутбуке
Рис.12 - Digma 128 ГБ в USB 2.0 на ПК
Рис.13 - Digma 128 ГБ в USB 3.0 на ПК
Рис.14 - Kingston 512 ГБ в USB 2.0 на ноутбуке
Рис.15 - Kingston 512 ГБ в USB 2.0 на ПК
Рис.16 - Kingston 512 ГБ в USB 3.0 на ПК

На рисунках выше показаны скорости купленных флешек. Обратите внимание, что скорость в режиме USB 2.0 существенно отличается! Для сравнения тесты скоростей старых флешек, которые у меня были. Порт 3.0 только у Mirex 16 GB (прозрачный голубой корпус) и Kingston 256 GB (маленький серебристый корпус).
Рис.17 - старые флешки
Рис.18 - Kingston 256 ГБ в USB 2.0 на ноутбуке
Рис.19 - Kingston 256 ГБ в USB 2.0 на ПК
Рис.20 - Kingston 256 ГБ в USB 3.0 на ПК
Рис.21 - Mirex 16 ГБ в USB 2.0 на ноутбуке
Рис.22 - Mirex 16 ГБ в USB 2.0 на ПК
Рис.23 - Mirex 16 ГБ в USB 3.0 на ПК
Рис.24 - Mirex 64 ГБ в USB 2.0 на ноутбуке
Рис.25 - Mirex 64 ГБ в USB 2.0 на ПК
Рис.26 - Kingston 64 ГБ в USB 2.0 на ПК

Далее для всех новых флешек и одной старой был выполнен реальный тест с копированием папки. Тестирование производилось только на ПК в порту 3.0 штатным файловым менеджером Mate - Caja 1.28 Условием завершением копирования было не только сообщение о завершении задачи, но и отсутствие активности флешки, а также возможность её безопасного извлечения (у части флешек нет светодиода). В качестве секундомера использовался телефон и его родная утилита.
 
Netac 256 GB (exfat): ФМ  показал скорость 85 мб/с, копирование шло 2:03, через 6:48 устройство можно было извлечь.

Netac 128 GB (exfat): ФМ  показал начальную скорость 400 мб/с с дальнейшим падением до  68 мб/с, копирование шло 2:26, через 5:05 устройство можно было извлечь.

Digma 128 GB (exfat): ФМ  показал начальную скорость 304 мб/с с дальнейшим падением до 21.6 мб/с, копирование шло 7:42, через 10:48 устройство можно было извлечь.

Hikvison 128 GB (fat32): 4.5 мб/с - 17.5 мб/с (чаще всего 20 мб/с, максимум до 21 мб/с) копирование шло 9:32, через 9:47 устройство можно было извлечь.

Kingston 512 GB (fat32): ФМ  показывал 5.5 мб/с - 12.4 мб/с (иногда достигала до 17 - 26 мб/с) копирование шло 13:23, через 13:34 устройство можно было извлечь. Копирование этой же папки на ssd ПК шло со скоростью 150 мб/с  и заняло 1:07.

Kingston 256 GB (fat32): ФМ  показывал 7 мб/с - 28 мб/с (чаще всего стабильно 29 мб/с) копирование шло 5:56, через 6:11 устройство можно было извлечь. Копирование этой же папки на ssd ПК шло со скоростью 210 мб/с  и заняло 0:50.

И тут бы можно было сказать, что все тесты выполнены. Однако, изначально Kingston и Hikvision имели устаревшую файловую систему fat32. Казалось бы - отформатируй и всё, но дальнейшие тесты показали странную деградацию скорость копирования именно у этих флешек. Тогда как смена файловой системы на других флешках не приводила к существенным изменениям. Особенно такая смена ФС привела к деградации скорости копирования у Kingston - примерно в 3 раза!

После форматирования с родной ФС fat32 на новую exfat:

Hikvison 128 GB (exfat): ФМ  показал начальную скорость 361 мб/с с дальнейшим падением до 11 мб/с копирование шло 15:05, через 18:18 устройство можно было извлечь. Копирование этой же папки на ssd ПК шло со скоростью 135 мб/с и заняло 1:14.

Kingston 512 GB (exfat): ФМ  показал начальную скорость 395 мб/с с дальнейшим падением до 9.8 мб/с копирование шло 24:23, через 36:11 устройство можно было извлечь. Копирование этой же папки на ssd ПК шло со скоростью 145 мб/с  и заняло 1:17.

Итоги по флешкам:

Netac 128 и 256 GB - разницы в производительности в зависимости от ФС особой нет. Флешка бодрая в плане скорости. К минусу отнесу лишь то, что объём не указан на корпусе.

Hikvison 128 GB - странная зависимость от ФС на флешке. Какая-то левая папка на самой флешке, хотя упаковка была целая. Довольно посредственные характеристики. Нету светодиода активности.

Digma 128 GB - очень понравился корпус. Тяжёлый металлический! Минус - нету светодиода активности. Из странностей - одна из флешек вылетала из системы, если её подключить к порту 3.0, при этом gparted зависал на этапе открытия. После того, как флешку воткнул в порт 2.0 - глюки с вылетом пропали. Заново создал таблицу разделов и отформатировал в exfat. После этих манипуляций флешка прекрасно работает и в порту 3.0

Kingston 512 GB - самая дорогая и многообещающая флешка, но низкая скорость записи просто портит всё впечатление от флешки (производитель заявляет аж до 100 мб/с). Да, на родной ФС fat32 она вроде как и более менее адекватно работает. Я даже смог залить без ошибок все 178 ГБ домашего фотовидеоархива. У этой флешки также нет индикатора активности. В плане скорости чтения - эта флешка самая быстрая среди купленных.

Про старые флешки: 

Ещё хотелось бы отметить флешку Mirex на 64 ГБ - это просто ужасная флешка! Настолько медленная в плане чтения и записи, что использовать её сплошное мучение. И Kingston тоже на 64 ГБ - это довольно старая флешка. Мне её подарили в далёком 2009 году. Изначально она была отформатирована в один большой раздел fat32, но у меня на ней портились файлы. Тогда я создал 2 равных раздела в NTFS и он прослужила без проблем примерно 13 лет. На ней хранилась часть семейного фотовидеоархива, резервные копии. Потом файлы стали читаться снова с ошибками и было решено её отформатировать. Так вот почему нет результатов теста в ноутбуке? - Любая попытка её подлючить - сразу приводит к порче файловой системы, а форматирование завершается с ошибкой. При этом на стационарном ПК флешка прекрасно себя чувствует и не глючит. Я бы мог сказать, что это единичная проблема, но нет - тот же супер-быстрый Kingston на 256 ГБ показывает просто чрезвычайно низкие показатели чтения и записи, что в порту 2.0, что в 3.0, на неттопе Saishiat2. 

Общие итоги и мысли:

С одной стороны флешки стали быстрее, чем раньше, но с другой стороны - какие же они медленные для своих объёмов! Из всех новых флешек больше всего понравился Netac - за цену даёт максимум. Огорчил Kingston 512 ГБ - причём в сравнении с его же 256 ГБ вариантом, но другая линейка - ведь можно же сделать быструю флешку как на чтение, так и на запись. В плане надёжности: у меня куча флешек. Десятки штук, многим уже по 20 лет... и они все живы! Да, я не прогонял тесты линейной записи, но данные на них хранятся. Старые файлы читаются, новые пишутся. Так что окончательное мнение о новых покупках я смогу сформировать только через несколько лет эксплуатации. Странности с зависимостью скорости от ФС или компьютера, к которому была подключена та или иная флешка - может говорить о некой несовместимости. Тогда это легко объясняет огромную разницу в отзывах о флешках, что у разных пользователей разный experience от одной и той же флешки.